feature:
. A variety of electronic components are available: a variety of electronic components, resistors, capacitors, inductors, diodes, integrated circuits, headphone jacks, buttons, ., a variety of basic components.
2. E-learning.
3. Practical ability.
4. It is especially suitable for epoxy PCB welding students to replace general cardboard!
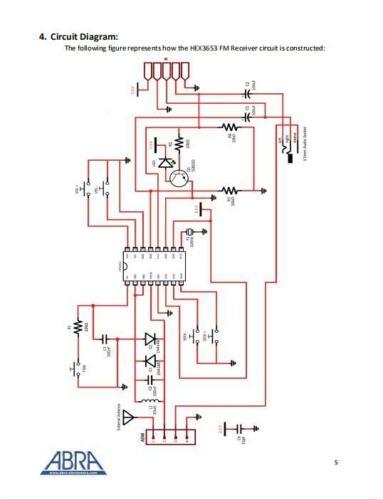
Frequency range: FM 76-108MHz
Tunertechnology:DAB
Advantage:
For electronics enthusiasts or electronics students, the arrangement of elements is optimized especially for beginners. This package is easy to make and has a high installation success rate! Since it has been used in many schools, we know its performance. This kit is much more fun than just a assembly, it's more fun to tweak with your own hands and wire the coil than other simple assembly kits. The main advantage of using headphones also takes into account the noise of the students' classrooms.
Features and uses:
FM radio programs have rich and good sound quality, . Feel to launch your own FM radio station. This FM radio pocket computer kit adopts a special block, 16-pin flat double package, and the working voltage is .8-3.6V. The circuit includes all the functions of the FM radio receiver outputting audio signals from the antenna to the frequency detector, and also has a search tuning circuit, a signal detection circuit, and the like. The mute circuit and the frequency locked loop FLL circuit compress the frequency compensation. If the circuit frequency is designed to be 70KHZ, there is no intermediate frequency transformer in the peripheral circuit. If the filtering is completed, the frequency will be by the internal RC circuit. Aircraft like digital radio tuners use electronic tuning buttons(SEEK+, SEEK-) in addition to volume control buttons(VOL+, VOL-). and power button( for PW). After the circuit is powered on, press the power button, the circuit starts to work, press SEEK+ to search for high frequency or low end press SEEK-RF to search. Automatically search for radio signals, tuning stops automatically, if the circuit continues to search for radio stations, click the search button. The frequency range is 76-108MHZ. It can not only receive general FM radio stations, but also receive campus school radio stations. volume-). and power button( for PW). After the circuit is powered on, press the power button, the circuit starts to work, press SEEK+ to search for high frequency or low end press SEEK-RF to search. Automatically search for radio signals, tuning stops automatically, if the circuit continues to search for radio stations, click the search button. The frequency range is 76-108MHZ. It can not only receive general FM radio stations, but also receive campus school radio stations. volume-). and power button( for PW). After the circuit is powered on, press the power button, the circuit starts to work, press SEEK+ to search for high frequency or low end press SEEK-RF to search. Automatically search for radio signals, tuning stops automatically, if the circuit continues to search for radio stations, click the search button. The frequency range is 76-108MHZ. It can not only receive general FM radio stations, but also receive campus school radio stations. The tuning stops automatically, then if the circuit continues to search for radio stations, click the search button. The frequency range is 76-108MHZ. It can not only receive general FM radio stations, but also receive campus school radio stations. The tuning stops automatically, then if the circuit continues to search for radio stations, click the search button. The frequency range is 76-108MHZ. It can not only receive general FM radio stations, but also receive campus school radio stations.
Package includes:
set of DIY electronics kit